Sistem hibrid sederhana

Sistem hibrid sederhana

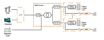
Sistem penyimpanan tenaga di grid dan luar grid mengintegrasikan penjanaan kuasa fotovoltaik (PV), penyimpanan tenaga, dan kawalan pintar. Ia boleh beroperasi dalam kedua-dua mod yang berkaitan dengan grid dan berdiri sendiri, memastikan bekalan kuasa yang berterusan dan stabil.

Hantar Pertanyaan

Penerangan Produk


Ciri

Sistem ini menggunakan unit penyongsang modular dalam konfigurasi selari, di mana

Setiap input DC modul inverter sepadan dengan kabinet bateri yang berdedikasi,

membolehkan pengurusan per kluster untuk menghapuskan arus beredar antara

rentetan bateri.

Modul kuasa AC/DC menyokong penggunaan fleksibel dalam kedua -dua kuantiti dan

Penarafan kuasa, dengan kapasiti maksimum modul 60kW dalam selari 5 unit

konfigurasi.

Output AC dari modul kuasa dihantar melalui pengubah

peringkat output terpencil, membekalkan kuasa kepada beban dengan rintangan yang kuat untuk

Kejutan semasa.

ESS hibrid menggunakan integrasi photovoltaic yang digabungkan DC, mencapai tahap tinggi

kecekapan penukaran tenaga dan dioptimumkan untuk senario luar grid dengan PV

kapasiti penjanaan melebihi permintaan beban; Pengawal MPPT yang dinilai luar

Mengintegrasikan fungsi Combiner dan MPPT ke dalam satu kandang keras.

Sistem lengkap termasuk pilihan ATS penjana diesel, hibrid 300kW

Inverter, pengawal PV MPPT, dan sistem penyimpanan tenaga bateri.



Ciri

Sistem ini menggunakan unit penyongsang modular dalam konfigurasi selari, di mana

Setiap input DC modul inverter sepadan dengan kabinet bateri yang berdedikasi,

membolehkan pengurusan per kluster untuk menghapuskan arus beredar antara

rentetan bateri.

Modul kuasa AC/DC menyokong penggunaan fleksibel dalam kedua -dua kuantiti dan

Penarafan kuasa, dengan kapasiti maksimum modul 60kW dalam selari 5 unit

konfigurasi.

Output AC dari modul kuasa dihantar melalui pengubah

peringkat output terpencil, membekalkan kuasa kepada beban dengan rintangan yang kuat untuk

Kejutan semasa.

ESS hibrid menggunakan integrasi photovoltaic yang digabungkan DC, mencapai tahap tinggi

kecekapan penukaran tenaga dan dioptimumkan untuk senario luar grid dengan PV

kapasiti penjanaan melebihi permintaan beban; Pengawal MPPT yang dinilai luar

Mengintegrasikan fungsi Combiner dan MPPT ke dalam satu kandang keras.

Sistem lengkap termasuk pilihan ATS penjana diesel, hibrid 300kW

Inverter, pengawal PV MPPT, dan sistem penyimpanan tenaga bateri.









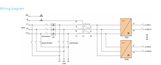
Spesifikasi

Model P200TS-400-A P250TS-400-A P300TS-400-A

Parameter sisi DC
Julat voltan 650-950VDC
Suis input per-modul 250a
Bilangan saluran DC 3 cara 4 jalan 5 cara

Parameter AC-Side
(bersambung grid)
Kuasa output yang diberi nilai 200kW 250kW 300kW
Kuasa output maksimum 220kW 275kW 330kW
Arus output undian 289a 361a 433a
Thdi <3%
Jenis Grid 3W+N+PE
Julat voltan 360VAC ~ 440VAC
Julat kekerapan 45 ~ 55Hz/55 ~ 65Hz
Faktor kuasa -1 ~ 1

Pulau
Parameter AC-Side
Kuasa output yang diberi nilai 200kW 250kW 300kW
Voltan output yang dinilai 400vac
Kekerapan output yang diberi nilai 50/60Hz
Thdu <1% linear, <5% nonlinear <1% linear, <5% nonlinear
Kapasiti beban Kelebihan 110% selama 10 minit110% selama 10 minit

Grid-Islanding
Pemindahan dan switchgear
Suis pintasan penyelenggaraan 400a 630a
Suis grid 630a 800a
Memuatkan suis 400a 630a
Unit STS 577A/400kW 722A/500kW
Masa menukar <20ms

Parameter sistem
Kecekapan puncak 97.5%
Suhu operasi -30 ~ 55 ℃ -30 ~ 55 ℃ (derat di atas 40 ℃)
Kelembapan relatif 0 ~ 95%RH, 0 ~ 95%RH, bukan kondensor
Dimensi (l*d*h) 1300 × 1050 × 2050mm
Berat 1400kg 1700kg 1800kg
Ipgrade IP21 IP21 (set penuh)
Bunyi bising <70db
Skrin paparan Skrin sentuh LCD
Komunikasi BMS Boleh
Komunikasi EMS TCP/IP


Teg Panas: Sistem hibrid sederhana
Hantar Pertanyaan
Sila berasa bebas untuk memberikan pertanyaan anda dalam borang di bawah. Kami akan membalas anda dalam masa 24 jam.
X
Kami menggunakan kuki untuk menawarkan anda pengalaman menyemak imbas yang lebih baik, menganalisis trafik tapak dan memperibadikan kandungan. Dengan menggunakan tapak ini, anda bersetuju dengan penggunaan kuki kami. Dasar Privasi