English
Español
Português
русский
Français
日本語
Deutsch
tiếng Việt
Italiano
Nederlands
ภาษาไทย
Polski
한국어
Svenska
magyar
Malay
বাংলা ভাষার
Dansk
Suomi
हिन्दी
Pilipino
Türkçe
Gaeilge
العربية
Indonesia
Norsk
تمل
český
ελληνικά
український
Javanese
فارسی
தமிழ்
తెలుగు
नेपाली
Burmese
български
ລາວ
Latine
Қазақша
Euskal
Azərbaycan
Slovenský jazyk
Македонски
Lietuvos
Eesti Keel
Română
Slovenski
मराठी
Srpski језик
Ciri -ciri produk
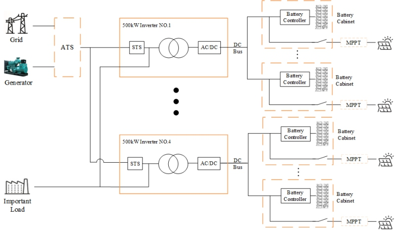
1. Beban melebihi 500 kW, disyorkan untuk menggunakan penyimpanan tenaga penyimpanan tenaga tunggal 500 kW yang besar, yang mampu menyokong sehingga empat set sambungan selari, mencapai output kuasa atotal 2 mW ;
2. Apabila mengendalikan pelbagai sistem 500 kW secara selari dan mengedarkan stsacross berbeza 500 kW inverter, adalah penting untuk memastikan bahawa panjang kabel dari grid tie-point ke titik tie beban adalah konsisten ;
3. Hibrid ESS menggunakan integrasi photovoltaic yang digabungkan DC, mencapai kecekapan penukaran tenaga yang tinggi dan dioptimumkan untuk senario luar grid dengan kapasiti penjanaan PV melebihi permintaan beban; MPPT yang dinilai luar
Pengawal mengintegrasikan fungsi Combiner dan MPPT ke dalam satu kandang keras. Sistem lengkap termasuk pilihan ATS penjana diesel, penyongsang hibrid 300kW, pengawal PV MPPT, dan bateri
Sistem Penyimpanan Tenaga.


Spesifikasi
| Model | P500TS-400-A | |
|
Parameter sisi DC |
Julat voltan | 500-950V |
| Arus maksimum | 1128a | |
| Kuasa output yang diberi nilai | 500kW | |
|
Parameter AC-Side (bersambung grid) |
Kuasa output maksimum | 550kW |
| Arus output undian | 722a | |
| Thdi | <3% | |
| Jenis Grid | 3W+N+PE | |
| Julat voltan | 360VAC ~ 440VAC | |
| Julat kekerapan | 45 ~ 55Hz/55 ~ 65Hz | |
| Faktor kuasa | -1 ~ 1 | |
| Kuasa output yang diberi nilai | 500kW | |
|
Parameter sampingan AC (Luar grid) |
Voltan output yang dinilai | 400v |
| Kekerapan output yang diberi nilai | 50/60Hz | |
| Thdu | <1%beban linear, <5%beban bukan linear | |
| Kapasiti beban | 110%10 minit | |
| Suis pintasan penyelenggaraan | 1250A | |
|
Suis luar grid dan Tukar konfigurasi |
Suis DC | 1250A |
| Suis beban | 1250A | |
| Suis grid | 1250A | |
| Unit STS | 1155A/800kW | |
| Masa menukar | <20ms | |
|
Parameter sistem |
Peakefficiency | 97.5% |
| Suhu operasi | -30 ~ 55 ℃ (derat di atas 40 ℃) | |
| Kelembapan relatif | 0 hingga 95%RH, bukan kondensor | |
| Dimensi (l*d*h) | 1600 × 1050 × 2050mm | |
| Berat | 2700kg | |
| Ipgrade | IP21 IP21 (mesin lengkap) | |
| Bunyi bising | <70db | |
| Skrin paparan | LCD | |
| Komunikasi BMS | Boleh | |
| Komunikasi EMS | TCP/IP | |